- Get link
- X
- Other Apps
- Get link
- X
- Other Apps

The Answer Is 42 How To Drive A Solenoid From A

How To Build A Peristaltic Pump Circuit Controlled By An Arduino

H Bridge Latching Relay Driver Circuit Daycounter


Schematic Wiring Soft Robotics Toolkit

General Purpose I O How To Get More Hackaday

Is A Flyback Diode Needed If There Are Only Inductive

Driving Piezo Buzzer From Mcu Pin Electrical Engineering

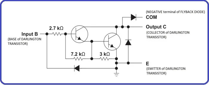
Introduction To Uln2803 Pin Configuation How To Use It

Nerdkits Motors And Microcontrollers 101

What Is A Flyback Diode

Arduino Resets When Solenoid Shuts Off Element14 Arduino

Where To Put The Flyback Diode In A Relay Module

Flyback Pcb By 3 Members Albums Category Virtual Pinball

Freewheeling Diode Or Flyback Diode Circuit Working And Its

Relays Rig Nitc
- Get link
- X
- Other Apps
Comments
Post a Comment